Estrada / E-estrada

Motor do cubo traseiro do eixo passante D-TYPE

O motor do cubo traseiro D-TYPE THRU AXLE, projetado para e-MTBs e bicicletas e-road/Graval, pesa apenas 2,4 kg (cassete incluída) com um eixo direto de 148 mm. Seu design leve e estrutura de eixo direto garantem alta resistência e estabilidade durante passeios em alta velocidade. Com potência nominal de 48V 250W e mais de 50Nm de torque de estol, é compatível com um cassete de sensor de torque, proporcionando aceleração suave e desempenho responsivo em vários terrenos.

Parâmetro chave
Estrutura motora: Tensão nominal (V): Potência nominal (W):
Motor de cubo Outrunner 36-48 220-250
Torque máximo (Nm): Peso (kg): ANTIGO (mm):
>50NM 2.4(Com Cassete) 141
informações detalhadas
  • Motor do cubo traseiro do eixo passante D-TYPE
  • Motor do cubo traseiro do eixo passante D-TYPE
Ningbo Yinzhou HENTACH Electromechanical Co., Ltd. Product Parameters Ningbo Yinzhou HENTACH Electromechanical Co., Ltd. Drawing Ningbo Yinzhou HENTACH Electromechanical Co., Ltd. Contact Us

Dados principais

Potência nominal 220-250
Tensão nominal 36-48
Diâmetro da roda 20-28
Faixa de velocidade 25-32
Torque máximo >50NM
Relação de engrenagem 6.3
Peso (KG) 2.4(Com Cassete)

Parâmetros de instalação

Freio freio a disco
Cassete do sensor de torque Sim
Rota de cabeamento Eixo Lado Esquerdo
Buraco de raio 2-18-Ф3.2
Classificação à prova d'água IP54 (até IP65)
Volante/roda dentada Cassete 7-12 velocidades/Cassete 7-12 velocidades
Certificados TUV/EN15194/RoHS

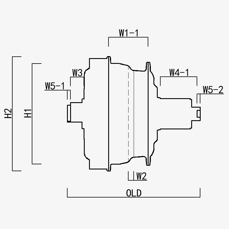
H1/OD: 112
H2/DE do motor: 128
W1(-1/-2): 44
W2: 6
W3: 15.25
W4(-1/-2): 42.5
W5(-1/-2): 3.5
ANTIGO: 141
Comprimento do eixo: 148
Ningbo Yinzhou HENTACH Electromechanical Co., Ltd.
entre em contato conosco
  • Enviar e enviar
Ningbo Yinzhou HENTACH Electromechanical Co., Ltd.
O QUE NOS DIFERENCIA
  • Engrenagem de aço plástico patenteada: 5 vezes o torque da engrenagem de náilon; vida útil superior a 40.000 km; menor serviço pós-venda

  • Motor de rotor externo: estrutura mais estável e menor taxa de falhas em comparação ao rotor interno

  • Estrutura de eixo cilíndrico padrão de 10mm, mais leve e menor, com abertura de engrenagem de 142mm, pode atingir um torque de> 50NM, o motor de eixo cilíndrico de 250w com o maior torque do mercado

QUEM SOMOS NÓS Mais do que 20 anos de experiência em produção.

Ningbo Yinzhou HENTACH Electromechanical Co., Ltd. (Anteriormente Hengtai Motor) Fundada em 1995 e anteriormente conhecida como "Hengtai Motor" (o nome chinês da nossa empresa), adotamos oficialmente o nome inglês "HENTACH Motor" em 2020. Ambos os nomes representam o mesmo fabricante confiável dedicado à inovação eletromecânica há mais de 30 anos. Especializados na fundição e processamento de precisão de motores CC em miniatura, motores de cubo elétricos/de motocicletas e ligas de alumínio-magnésio para veículos elétricos, combinamos um rigoroso sistema de controle de qualidade ISO 9001, práticas de gestão maduras e equipamentos de fabricação/teste de última geração para fornecer soluções confiáveis.

Com capacidades integradas que vão desde a fundição da matéria-prima até à entrega do produto final, servimos diversos mercados, incluindo bicicletas elétricas, veículos de carga, AGVs (Automatical Guided Vehicles), carrinhos de golfe, máquinas agrícolas e karts elétricos. O nosso campus de mais de 9.000 m² (5.000 m² de área construída) alberga mais de 60 unidades de equipamento de produção avançado, incluindo máquinas de fundição injetada de 500 toneladas, máquinas-ferramenta CNC de precisão, sistemas de marcação a laser, linhas de oxidação por microarco e duas bancadas de teste dedicadas a motores de veículos elétricos. Esta infraestrutura garante uma produção eficiente e o rigoroso cumprimento das normas internacionais de qualidade.

Na HENTACH (Hengtai), priorizamos materiais de alta qualidade e tecnologia proprietária – nossa engrenagem patenteada de nylon-aço é uma prova de nossa excelência em engenharia. Para validar a durabilidade, lançámos uma vez um programa de garantia de quilometragem para motores com mais de 30.000 milhas. O resultado? Mais de 50 motores não apenas atingiram esse padrão, mas também o superaram, com alguns atingindo impressionantes 50.000 milhas. Esse desempenho no mundo real reflete nosso foco inabalável na confiabilidade e nos motiva a inovar continuamente para obter soluções de motores mais inteligentes e mais fortes.​
Confie na marca conhecida mundialmente como Hengtai Motor e HENTACH Motor - onde a inovação patenteada em engrenagens de aço encontra durabilidade comprovada.

Certificado por Certificações