e-fat/e-carga

Motor do cubo traseiro S-Type Pro RC

O motor do cubo traseiro S-Type Pro RC foi projetado para bicicletas E-Cargo e E-Fat, oferecendo uma potência nominal de 750W a 1500W. Possui um cassete de 8 a 10 velocidades, dropout de 190 mm e torque máximo de travamento acima de 145 Nm. Este motor proporciona forte tração em condições de baixa velocidade, garantindo capacidade de escalada estável em encostas íngremes, areia fofa ou terreno escorregadio. Equipado com engrenagens metálicas de náilon patenteadas pela HT, é cinco vezes mais resistente do que as engrenagens de náilon tradicionais, durando mais de 40.000 km e reduzindo significativamente os custos de manutenção. Em aplicações de motor de cubo de bicicleta elétrica acima de 1000 W, apenas as engrenagens de aço plástico da HT podem suportar torques contínuos acima de 100 Nm.

Parâmetro chave
Estrutura motora: Tensão nominal (V): Potência nominal (W):
/ 36-60 600-1500
Torque máximo (Nm): Peso (kg): ANTIGO (mm):
145 6 190
informações detalhadas
  • Motor do cubo traseiro S-Type Pro RC
  • Motor do cubo traseiro S-Type Pro RC
Ningbo Yinzhou HENTACH Electromechanical Co., Ltd. Product Parameters Ningbo Yinzhou HENTACH Electromechanical Co., Ltd. Drawing Ningbo Yinzhou HENTACH Electromechanical Co., Ltd. Contact Us

Dados principais

Potência nominal 600-1500
Tensão nominal 36-60
Diâmetro da roda 20-26
Faixa de velocidade 35-65
Torque máximo 145
Relação de engrenagem 5
Peso (KG) 6

Parâmetros de instalação

Freio Freio a disco
Cassete do sensor de torque Não
Rota de cabeamento Eixo Lado Esquerdo
Buraco de raio 2-18-Ф3.2
Classificação à prova d'água IP54 (até IP65)
Volante/roda dentada Café 7-10 velocidades
Certificados TUV/EN15194/RoHS

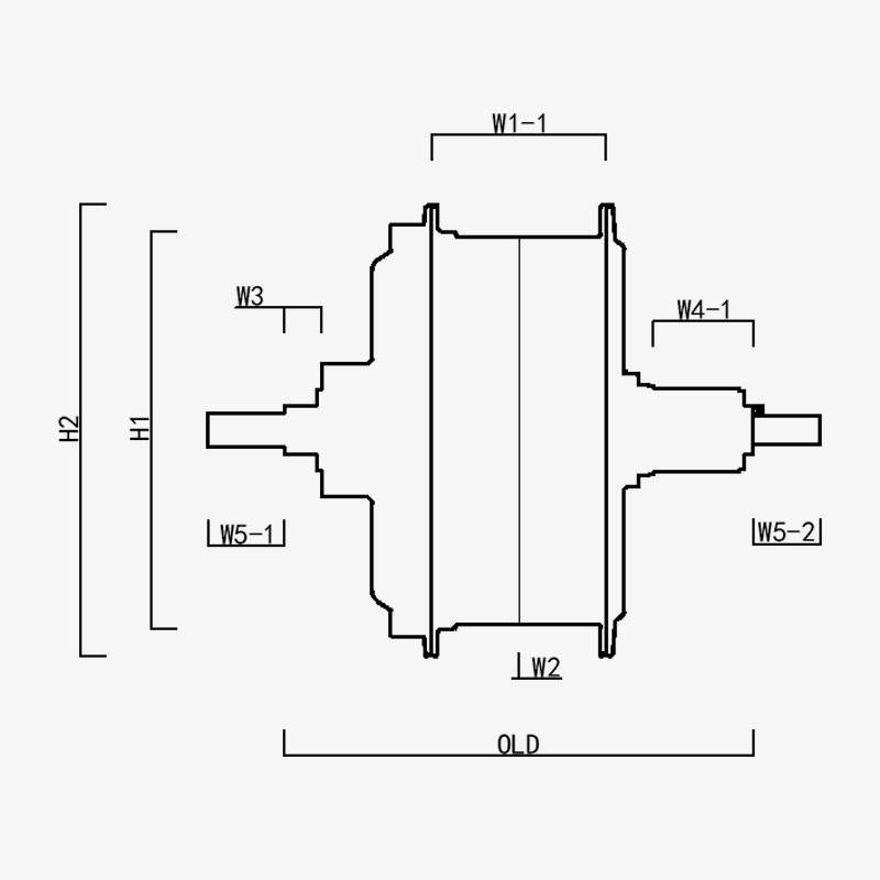
H1/OD: 162
H2/DE do motor: 183
W1(-1/-2): 70.8
W2: 0
W3: 15.2
W4(-1/-2): 40.5
W5(-1/-2): 31/27
ANTIGO: 190
Comprimento do eixo: 248
Ningbo Yinzhou HENTACH Electromechanical Co., Ltd.
entre em contato conosco
  • Enviar e enviar
Ningbo Yinzhou HENTACH Electromechanical Co., Ltd.
O QUE NOS DIFERENCIA
  • Potente motor de cubo de tração traseira com engrenagens abertas de 190 mm e potência nominal de até 1500 W.

  • Engrenagens plásticas patenteadas inventadas: 5 vezes o torque das engrenagens de náilon; vida útil superior a 40.000 km; menor pós-venda

  • Torque de parada de até 145NM ou mais, projetado para efat/Cargo.

QUEM SOMOS NÓS Mais do que 20 anos de experiência em produção.

Ningbo Yinzhou HENTACH Electromechanical Co., Ltd. (Anteriormente Hengtai Motor) Fundada em 1995 e anteriormente conhecida como "Hengtai Motor" (o nome chinês da nossa empresa), adotamos oficialmente o nome inglês "HENTACH Motor" em 2020. Ambos os nomes representam o mesmo fabricante confiável dedicado à inovação eletromecânica há mais de 30 anos. Especializados na fundição e processamento de precisão de motores CC em miniatura, motores de cubo elétricos/de motocicletas e ligas de alumínio-magnésio para veículos elétricos, combinamos um rigoroso sistema de controle de qualidade ISO 9001, práticas de gestão maduras e equipamentos de fabricação/teste de última geração para fornecer soluções confiáveis.

Com capacidades integradas que vão desde a fundição da matéria-prima até à entrega do produto final, servimos diversos mercados, incluindo bicicletas elétricas, veículos de carga, AGVs (Automatical Guided Vehicles), carrinhos de golfe, máquinas agrícolas e karts elétricos. O nosso campus de mais de 9.000 m² (5.000 m² de área construída) alberga mais de 60 unidades de equipamento de produção avançado, incluindo máquinas de fundição injetada de 500 toneladas, máquinas-ferramenta CNC de precisão, sistemas de marcação a laser, linhas de oxidação por microarco e duas bancadas de teste dedicadas a motores de veículos elétricos. Esta infraestrutura garante uma produção eficiente e o rigoroso cumprimento das normas internacionais de qualidade.

Na HENTACH (Hengtai), priorizamos materiais de alta qualidade e tecnologia proprietária – nossa engrenagem patenteada de nylon-aço é uma prova de nossa excelência em engenharia. Para validar a durabilidade, lançámos uma vez um programa de garantia de quilometragem para motores com mais de 30.000 milhas. O resultado? Mais de 50 motores não apenas atingiram esse padrão, mas também o superaram, com alguns atingindo impressionantes 50.000 milhas. Esse desempenho no mundo real reflete nosso foco inabalável na confiabilidade e nos motiva a inovar continuamente para obter soluções de motores mais inteligentes e mais fortes.​
Confie na marca conhecida mundialmente como Hengtai Motor e HENTACH Motor - onde a inovação patenteada em engrenagens de aço encontra durabilidade comprovada.

Certificado por Certificações