E-FAT / E-CARGO

Motor do cubo dianteiro S-Type Pro F1500

O motor do cubo dianteiro S-Type Pro F1500, projetado para bicicletas E-Carao e E-Fat, oferece potência nominal de 750W a 1500W e torque máximo de 145Nm. Ele melhora a tração em baixa velocidade e a capacidade de subida em terrenos desafiadores, abordando deficiências de potência em aplicações de alta carga. Equipado com engrenagens de aço plástico patenteadas pela HENTACH - cinco vezes mais fortes que as engrenagens de náilon - ele suporta motores com potência acima de 1000 W, onde as engrenagens de náilon tradicionais se desgastariam rapidamente sob torques sustentados acima de 100 Nm.

Parâmetro chave
Estrutura motora: Tensão nominal (V): Potência nominal (W):
Motor de cubo Outrunner engrenado 48-60 750-1500
Torque máximo (Nm): Peso (kg): ANTIGO (mm):
145 5.5 190
informações detalhadas
  • Motor do cubo dianteiro S-Type Pro F1500
  • Motor do cubo dianteiro S-Type Pro F1500
Ningbo Yinzhou HENTACH Electromechanical Co., Ltd. Product Parameters Ningbo Yinzhou HENTACH Electromechanical Co., Ltd. Drawing Ningbo Yinzhou HENTACH Electromechanical Co., Ltd. Contact Us

Dados principais

Potência nominal 750-1500
Tensão nominal 48-72
Diâmetro da roda 20-26
Faixa de velocidade 25-65
Torque máximo 145
Relação de engrenagem 5
Peso (KG) 5.5

Parâmetros de instalação

Freio Freio a disco
Cassete do sensor de torque Não
Rota de cabeamento Eixo Lado Direito
Buraco de raio 2-18-Ф3.5
Classificação à prova d'água IP54 (até IP65)
Volante/roda dentada /
Certificados TUV/EN15194/RoHS

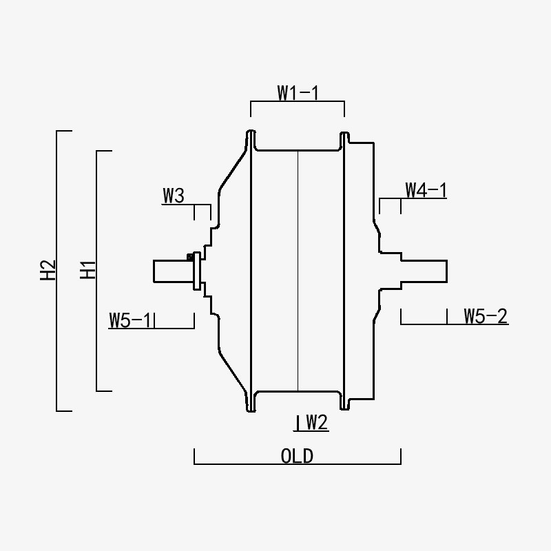
H1/OD: 157
H2/DE do motor: 183
W1(-1/-2): 60.9
W2: 0
W3: 11
W4(-1/-2): 14.1
W5(-1/-2): 26/30
ANTIGO: 135
Comprimento do eixo: 191
Ningbo Yinzhou HENTACH Electromechanical Co., Ltd.
entre em contato conosco
  • Enviar e enviar
Ningbo Yinzhou HENTACH Electromechanical Co., Ltd.
O QUE NOS DIFERENCIA
  • Potente motor de acionamento frontal, abertura de engrenagem de 135 mm, potência nominal de até 1500 W.

  • Engrenagem de aço plástico patenteada: 5 vezes o torque da engrenagem de náilon; vida útil superior a 40.000 quilômetros; menor pós-venda

  • Torque de parada de até 145NM, especialmente projetado para efat/Cargo.

QUEM SOMOS NÓS Mais do que 20 anos de experiência em produção.

Ningbo Yinzhou HENTACH Electromechanical Co., Ltd. (Anteriormente Hengtai Motor) Fundada em 1995 e anteriormente conhecida como "Hengtai Motor" (o nome chinês da nossa empresa), adotamos oficialmente o nome inglês "HENTACH Motor" em 2020. Ambos os nomes representam o mesmo fabricante confiável dedicado à inovação eletromecânica há mais de 30 anos. Especializados na fundição e processamento de precisão de motores CC em miniatura, motores de cubo elétricos/de motocicletas e ligas de alumínio-magnésio para veículos elétricos, combinamos um rigoroso sistema de controle de qualidade ISO 9001, práticas de gestão maduras e equipamentos de fabricação/teste de última geração para fornecer soluções confiáveis.

Com capacidades integradas que vão desde a fundição da matéria-prima até à entrega do produto final, servimos diversos mercados, incluindo bicicletas elétricas, veículos de carga, AGVs (Automatical Guided Vehicles), carrinhos de golfe, máquinas agrícolas e karts elétricos. O nosso campus de mais de 9.000 m² (5.000 m² de área construída) alberga mais de 60 unidades de equipamento de produção avançado, incluindo máquinas de fundição injetada de 500 toneladas, máquinas-ferramenta CNC de precisão, sistemas de marcação a laser, linhas de oxidação por microarco e duas bancadas de teste dedicadas a motores de veículos elétricos. Esta infraestrutura garante uma produção eficiente e o rigoroso cumprimento das normas internacionais de qualidade.

Na HENTACH (Hengtai), priorizamos materiais de alta qualidade e tecnologia proprietária – nossa engrenagem patenteada de nylon-aço é uma prova de nossa excelência em engenharia. Para validar a durabilidade, lançámos uma vez um programa de garantia de quilometragem para motores com mais de 30.000 milhas. O resultado? Mais de 50 motores não apenas atingiram esse padrão, mas também o superaram, com alguns atingindo impressionantes 50.000 milhas. Esse desempenho no mundo real reflete nosso foco inabalável na confiabilidade e nos motiva a inovar continuamente para obter soluções de motores mais inteligentes e mais fortes.​
Confie na marca conhecida mundialmente como Hengtai Motor e HENTACH Motor - onde a inovação patenteada em engrenagens de aço encontra durabilidade comprovada.

Certificado por Certificações